服务热线:18910320268
北京国通兴达商贸有限公司
电话:010-64208827
传真:010-64208827
市场部: 13031002553
18910320268
邮箱:zsm758@163.com
联系地址:北京市朝阳区东土城路4号金泰腾达写字楼A座
发布日期:2022-03-19
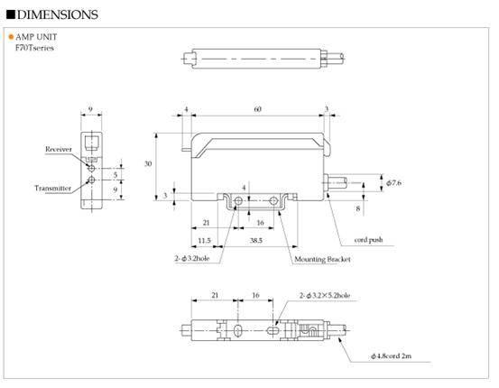
F70T系列
●基于F70系列的升级版,功能更优于F70系列
●检测范围更大,更精确
基本信息
输出电路图片
外形尺寸图片